Yuhuan Hongqian Machinery Co., Ltd. is a leading manufacturer specializing in high-quality pipe fittings across a wide range of materials.
In our industry, the ability to accurately interpret technical drawings is the foundation of precision manufacturing. Whenever we receive a design from a customer, our first priority is ensuring every detail is understood perfectly to guaranteed quality.
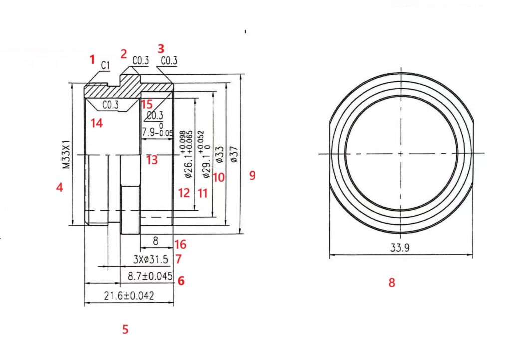
In this blog post, we will walk you through the essentials of reading a technical drawing. Using the brass fitting blueprint below as an example, we’ll break down the key elements you need to know.
Important Note: As is standard in Chinese engineering practices, all dimensions shown are in millimeters (mm) unless otherwise specified.

To help you better understand the technical requirements of brass pipe fittings, let’s break down the specific details of this drawing. At Yuhuan Hongqian Machinery, we don’t just “read” drawings; we analyze them for manufacturability.
1. The Precision of Metric (M) Threads
The thread is the functional core of most brass fittings. In this blueprint, you will notice the M33x1 specification:
-
The 60° Standard: Metric (M) threads utilize a 60-degree thread angle. To maintain high-precision engagement, we exclusively use 60-degree threading inserts during the CNC process.
-
Real-World Measurements: While the nominal size is M33, the actual measured outer diameter (OD) typically ranges between 30.7mm and 30.9mm to ensure a smooth, professional fit.
-
Strict Quality Control: We utilize Go/No-Go Gauges for frequent manual inspections during CNC machining. This ensures every thread operates flawlessly and prevents assembly failures.
2. Geometry and Material Customization
Looking at the end view, the 33.9mm dimension indicates the Across Flats (AF) size.
-
My Perspective on Efficiency: For high-volume orders, we often use custom-profiled raw materials to match the hexagonal or flat shapes. This significantly reduces machining time and material waste.
-
The Hidden Risk of “Ovality”: Because the raw material may have an irregular outer profile, the internal stresses during machining can easily cause the inner bore to become elliptical (oval).
-
The Hongqian Standard: An oval internal hole can lead to product failure or “scrap.” We pay extra attention to this during the clamping and turning stages to ensure the high-precision internal diameter remains perfectly round.

Quick Reference: Technical Specifications Table
| Feature | Specification | Expert Insight |
| Thread Type | M33x1 (Metric) | 60° angle; requires precision thread cutters. |
| Actual Thread OD | 30.7mm – 30.9mm | Essential for clearance and easy installation. |
| Standard Units | Millimeters (mm) | Default in Chinese drawings for total accuracy. |
| Profile Size | 33.9mm (Flat-to-Flat) | Can be optimized via custom material profiles. |
| Quality Check | Go/No-Go Gauge | Standard protocol to ensure 100% thread reliability. |
| Risk Control | Internal Ovality | Critical for parts with non-circular outer shapes. |
Conclusion: Why Our Interpretation Matters
A minor oversight in reading a drawing—such as ignoring the potential for an elliptical bore—can result in a 10% or higher scrap rate. At Yuhuan Hongqian Machinery Co., Ltd., our expertise in brass pipe fittings allows us to identify these risks before the first chip is cut.
Do you have a custom project that requires professional technical oversight? Whether it’s complex metric threads or tight-tolerance internal bores, we are ready to bring your drawings to life.



