As a custom CNC turning manufacturer, it means we need face many different type Oem/odm cnc parts customers and face different type drawings .
Therefore, we need to correctly understand what the symbols on the drawing represent, so that we can avoid machining errors and reduce the risk of scrap during production.
In this article, we will focus on exploring the specific meaning of H and h on the drawings.
What H and h Mean:
-
H (uppercase H)
-
Represents a hole as the reference
-
The lower deviation of the hole is zero, meaning the smallest hole equals the nominal size ,
-
it means H is ID (inner diameter ) , hole size only can enlarge .
-
h (lowercase h)
-
Represents a shaft as the reference
-
The upper deviation of the shaft is zero, meaning the largest shaft equals the nominal size
-
it means h is ID (outer diameter ) ,external diameter only can reduce .
Common Hole and Shaft Tolerances Table

From this tolerance Chart, we can base on the size and tolerace grade (H5,H6,H7 etc ) , to understand the total tolerance in the drawing .
We can based on the H5, H6, H7 ,H8 to know , the tolerance grade number bigger ,then can have the wider tolerance zone (and the lower the precision)
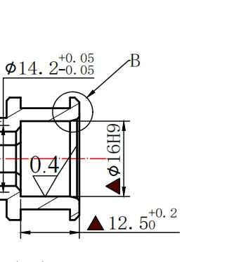
What Does 16H9 Mean in Hole Tolerance? Real case.
According to the cnc turning parts drawing, we can see the detail size 16H9.
So combine the Hole and Shaft Tolerances Table and the detail infromation in the blog .
-
16H9 means:
16 : Innter hole diameter size ,16mm .
H : positive deviation
H9:It is a tolerance grade , check the ISO 286 tablepress , it show positive deviation +0.043
Practical Tip: In CNC machining, calipers used for inspection can easily lose accuracy during repetitive production. Therefore, in actual CNC production,
using a custom-made Go / No-Go plug gauge is the most economical and reliable way to control quality.

You can more easy understand in the tablepress for 16H9 in follow .
| Item | size |
|---|---|
| Minimum hole diameter | 16.000 mm |
| Maximum hole diameter | 16.043 mm |
| Total tolerance | 0.043 mm |
What Does 16h9 Mean?
Based on the 16H9 logic, so 16h9 is for a shaft (External Diameter):
-
16: Nominal outer diameter, 16mm.
-
h: The upper deviation is zero.
-
h9: Based on the IT9 tolerance grade, the tolerance is -0.043mm.
-
Result: The finished size must be between 15.957 mm and 16.000 mm.
In summary
In the world of precision CNC machining, accuracy starts with the drawing. Whether it is a 16H9 bore or a 16h9 shaft, knowing how to read these symbols ensures a seamless transition from design to finished product. At yuhuan hongqian , we combine technical expertise with advanced CNC technology to handle your most demanding OEM/ODM projects.




