Material : Carbon steel
Surface : zinc plated
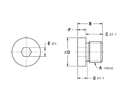
| Name | A | B | C | D | E | F |
|---|---|---|---|---|---|---|
| HQ-0808 | M8*1 | 11 | 8.5 | 11.8 | 3 | 2.5 |
| HQ-0810 | M10*1 | 13.5 | 9.5 | 13 | 5 | 4 |
| HQ-0812 | M12*1.5 | 16.5 | 11.5 | 17 | 6 | 5 |
| HQ-0814 | M14*1.5 | 16 | 11 | 19 | 6 | 5 |
| HQ-0816 | M16*1.5 | 18 | 13 | 21 | 8 | 5 |
| HQ-0818 | M22*1.5 | 20.1 | 15 | 27 | 10 | 5 |
| HQ-0827 | M27*2 | 24 | 19 | 32 | 12 | 5 |
| HQ-0833 | M33*2 | 25.5 | 19 | 38 | 17 | 6.5 |
| HQ-0845 | M42*2 | 26 | 19.5 | 48 | 22 | 6.5 |
| HQ-0848 | M48*2 | 23.4 | 17.5 | 54.8 | 19 | 5.9 |
| HQ-0860 | M60*2 | 23.4 | 17.5 | 64.8 | 19 | 5.9 |